BLP05H6700XR是一款由Ampleon生產的高性能LDMOS晶體管,專為HF至600 MHz頻段應用設計,額定功率700 W。特點包括易控功率、雙面ESD保護、高VSWR耐受性、高效率、優良熱穩定性、寬帶工作能力、50 V工作電壓,提供直引線和鷗翼式封裝,符合RoHS標準。適用于工業、廣播、航空航天和國防領域。
ACPF-7A24是Broadcom博通公司生產的一款專為移動Wi-Fi/藍牙設備設計的芯片級帶通濾波器,工作頻段為2401 MHz至2481.5 MHz。適用于需要與多種無線標準共存的移動通信設備,Wi-Fi帶通插入損耗在+25oC時典型值為1.2 dB(絕對值)和0.9 dB(通道平均值)。
M55310/09系列振蕩器是為軍事和航空電子設備設計的精密計時設備,封裝在密封外殼中,確保在極端環境下的可靠性和穩定性。尺寸為0.410英寸 x 0.300英寸,適用于軍事和航空電子設備,提供標準和定制頻率選項。
26000系列固定片式電感器由Vanguard Electronics生產,通過MIL-PRF-83446 T級認證,適用于高可靠性電子應用。具有0.010μH至10μH電感范圍,耐焊接熱260°C,工作溫度-55°C至125°C,提供多種安裝技術。應用等級包括空間、高溫、商業及ESA標準,有無翼片版本,Q值50至60,電流額定值87mA至750mA。
DEI1167-TES-G是一款專為航空電子系統設計的八通道并行輸出分立數字接口IC,采用BICMOS技術。該器件能夠感應并處理八種接地/開路離散信號,并通過并行3態輸出接口輸出數據。這款IC專為高可靠性、抗干擾和精確數據處理的航空電子系統需求設計,是航空電子領域的理想選擇。
MYC0409-NA是Murata生產的高性能非隔離DC-DC轉換器模塊,該模塊適用于數據中心、服務器、網絡設備、通信基站、光學設備、測試和測量設備、LED標牌和顯示系統等需要高效緊湊電源解決方案的應用。
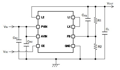
PDT012A0X3-SRDZ是OmniOn Power生產的非隔離式DC/DC轉換器,屬于12A數字PicoDLynxTM功率模塊系列。它能在3Vdc至14.4Vdc的輸入電壓范圍內工作,提供0.45Vdc至5.5Vdc的可編程輸出電壓。應用領域包括分布式電源架構、電信設備、服務器和存儲應用等。
CWX825-40.0M是Connor Winfield的CWX8xx系列振蕩器,專為需要嚴格頻率穩定性和低抖動的應用設計。它符合RoHS標準,支持5V操作電壓,采用5x7mm表面安裝封裝。該振蕩器提供±50ppm的頻率穩定性,能在-20°C至70°C范圍內工作,并具有小于1pS RMS的低抖動性能。它還具備詳細的輸出特性,確保信號輸出的準確性。
ADS7041IDCUR是一款10位ADC,具有1MSPS轉換速率,低功耗(189μW@1MSPS, 1.8V AVDD),小尺寸(X2QFN-8,2.25mm2),高性能(10位分辨率,±0.8 LSB INL,±0.7 LSB DNL,61dB SNR,-75dB THD),寬工作范圍(-40°C至125°C,1.65V至3.6V AVDD/DVDD),單極輸入范圍(0V至AVDD),并兼容SPI。適用于電池供電設備、傳感器、流量計、電機控制、可穿戴設備和醫療設備。
CY7C374I-66AC是Cypress的CPLD,具有128宏單元和64 I/O引腳,支持高達125 MHz的性能,可通過JTAG接口進行在系統編程。它具有總線保持功能,兼容PCI,支持3.3V或5.0V I/O操作,提供多種封裝選項,并與CY7C373i引腳兼容。適用于通信、工業控制和消費電子等領域。
Ampleon生產的BLF6G27-10和BLF6G27-10G是專為基站設計的10W LDMOS功率晶體管,適用于2300 MHz至2400 MHz和2500 MHz至2700 MHz頻率范圍,支持WiMAX系統。這些晶體管具有高效的單載波N-CDMA和SISO性能,集成ESD保護,熱穩定性好,且內部匹配,易于集成。它們提供兩種封裝選項,分別是含耳和無耳陶瓷封裝,適用于高要求的射頻功率放大應用。
Lattice ICE40HX8K-BG121TR是一款高性能的FPGA,采用40nm工藝,擁有7680個邏輯元素和128Kbit內存。它支持93個I/O接口,工作電壓1.14V至1.26V,可在-40°C至100°C溫度下工作,并支持多種I/O電壓。該FPGA具有SRAM型程序存儲器,32個塊RAM和強大的數據處理能力,但不支持復制保護和在系統編程。封裝為121引腳的BGA,符合環保無鉛標準。
R3842AMPbF是一款高效的DC/DC同步降壓穩壓器,適用于多種電源輸入和輸出需求。它支持1.5V至21V的輸入電壓范圍和0.7V至0.9*Vin的輸出電壓范圍,具備6A連續負載能力。該芯片具有高帶寬E/A,提供卓越的瞬態性能,可編程開關頻率高達1.2MHz。它還具備預偏置啟動、打嗝電流限制和熱關閉等多重保護功能,采用5mm x 6mm Power QFN封裝,符合RoHS標準,適用于服務器、存儲、電信系統等多種應用。
Renesas RL78/G15微控制器是一款適用于小型應用的多功能設備,具有16MHz RL78內核,支持2.4V至5.5V電壓,提供8至20引腳封裝。它包含4KB或8KB閃存,1KB SRAM和數據閃存,工作溫度范圍為-40°C至125°C。具備多種定時器和模擬功能,內置高精度振蕩器,支持多種通信接口,并提供電源重置和低電壓檢測選項。適合家電、消費電子和工業設備等應用。
PMT-PA-1314-20功率放大器是Princeton Microwave公司的產品,適用于通信和雷達系統,具有穩定性、可靠性、純凈度和廣泛適用性。PmT公司自1993年起為軍事和電信市場提供高質量微波器件,包括振蕩器、低噪聲放大器、功率放大器等。立維創展代理分銷PmT產品,歡迎咨詢。
PMT-1315-SSPA是一款專為14.0 MHz頻率設計的自動液位控制放大器,具有密封模塊、良好的單元間重復性、低阻抗、低噪聲系數,以及廣泛的工作溫度范圍(-50°C至100°C),并符合RoHS標準。該放大器適用于需要高噪聲控制和穩定性的應用環境,提供高品質和高可靠性。
QTCT2303S1T-10.000000是一款表面貼裝溫補晶振(TCXO),由Q-Tech生產,型號為QTCT230。它具有小尺寸設計,提供Clipped Sine波形輸出,支持2.8V、3.0V或3.3V電壓供應,工作溫度范圍為-40°C至+85°C,采用金密封陶瓷封裝,符合MIL-PRF-55310 Class 3軍用級標準,無鉛且符合RoHS標準。該TCXO還支持VC-TCXO選項,適用于高精度應用,如儀器儀表、導航系統、航空電子和通信基站。
LSJ74和SST74是單P通道超低噪聲晶體管,適用于音頻和聲學應用。它們具有超低噪聲水平、高增益、高輸入阻抗和低電容等特性。這些晶體管還具備最大限制評級、高擊穿電壓和穩定的漏電流與柵極電流。它們提供TO-92和SOT-89封裝,可作為東芝2SJ74的替代品,適用于對信噪比要求高的應用。
CXOL3SNSM3-32.768K晶體振蕩器由Statek生產,特點包括超低電流消耗和快速啟動時間。頻率32.768 kHz,供電電壓1.8V至5.0V,精度±100 ppm至±20 ppm,輸出負載10 pF,啟動時間200 ms,占空比45%至55%。工作溫度-10°C至+70°C(商業),-40°C至+85°C(工業),-55°C至+125°C(軍事)。適用于醫療、軍事和工業領域。
iNRCORE 100B-1003XNL單端口變壓器模塊符合IEEE 802.3標準,具有350μH的OCL和8mA直流偏壓。工作溫度范圍為-55°C至+125°C,絕緣耐壓1500VDC,封裝類型Sno3P637,濕度敏感度等級3。詳細電氣規格包括插入損耗、回波損耗、串擾和差模到共模抑制比等,可在附圖中查看。
在線留言