BFP420H6327XTSA1是一款由Infineon Technologies生產的NPN硅射頻晶體管,專為高增益低噪聲放大器設計,適用于頻率高達10 GHz的振蕩器應用。該晶體管在1.8 GHz下具有1.1 dB的低噪聲系數和21 dB的增益,適用于無線通信系統中的射頻前端。它具有25 GHz的高轉換頻率,采用高可靠性鍍金層,適用于移動通信、衛星通信等無線通信系統,以及有源混頻器、放大器和振蕩器。
R5F52315CDFM#30微控制器是瑞薩電子的RX231系列中的一款高性能32位MCU,采用RXv2 CPU內核,支持DSP和FPU,具備低功耗技術。它提供高靈敏度電容式觸摸傳感器,支持SD主機接口、USB和CAN通信,適用于工業控制、家用電器、醫療保健、智能電表和IoT設備。瑞薩電子提供參考解決方案,幫助用戶快速整合安全、加密、HMI和觸摸鍵功能,加速產品開發。
MTI-Milliren 411系列TCXO溫補晶振是一款高質量產品,通過AS9100和ISO9001認證,符合RoHS標準。它提供寬溫度范圍內的穩定性、電壓控制和內部調諧器選項,頻率范圍8 MHz至35 MHz,支持5V和3.3V電源電壓,提供削波正弦波或HCMOS/TTL輸出。具有低相位噪聲和14引腳DiP兼容封裝,適用于航空、軍事和民用領域,提供高精度頻率控制和穩定性能,滿足不同用戶需求。
iNRCORE?品牌的SLIC系列SMT共模扼流圈是一款高性能、高可靠性的產品,適用于直流/直流轉換器,具有寬泛的溫度工作范圍(-55°C至+130°C)、多種電感量和磁導率選項,以及不同的引腳配置,以滿足不同電路板設計需求。這些共模扼流圈通過提供電氣隔離和噪聲抑制功能,確保電子系統的穩定運行。
AEIC-7273-S16是Broadcom博通公司生產的四通道差分線路驅動器IC,適用于工業自動化和控制系統。電源電壓3.5V至30V,工作頻率800KHz,NPN集電極開路輸出可達30V,提供80mA峰值電流。應用領域廣泛,包括工業編碼器、傳感器接口、接近開關、PLC、光柵和MR傳感器系統等,能在惡劣環境中提供可靠數據傳輸。
DS90CR286MTD是一款由德州儀器(TI)生產的高性能LVDS接收器,與DS90CR285發送器配合使用,構成Channel Link芯片組。它將LVDS鏈路傳輸的4個數據流和1個時鐘信號轉換為28位LVCMOS/LVTTL格式。在66 MHz時鐘下,每個LVDS通道速率462 Mbps,總吞吐量1.848 Gbit/s(231 MB/s)。
QTCT5703C1T-50.000000是Q-Tech的一款高性能表面貼裝溫補晶振(TCXO),專為低壓應用設計。它具有50.000000MHz的頻率,2.8Vdc至3.3Vdc的供電電壓,工作溫度范圍為-40oC至+85oC。提供±0.5ppm至±2.5ppm的頻率穩定性,輸出類型可選截斷正弦波或CMOS邏輯輸出。采用密封陶瓷封裝,符合MIL-PRF-55310 3類設備標準,適用于軍事和航空電子應用。適用于儀器儀表、導航系統、航空電子設備等多種應用。
XCM526AC95DR-G是TOREX生產的高效降壓DC-DC轉換器,集成了降壓DC/DC控制器和P-溝道功率MOSFET,提供3A輸出電流。提供300kHz、500kHz和1MHz開關頻率選擇,支持PWM控制或PWM/PFM自動切換控制。具備軟啟動和UVLO功能,電源電壓范圍4.0V至16.0V,輸出電壓1.2V至0.9V±1.5%,最大輸出電流3.0A。符合環保標準,適用于多種便攜式電子設備。
BQCTR-XXXMX-XXXXB晶體是Bliley生產的高溫電子元件,專為5G和6G網絡等無線通信系統設計。涵蓋500kHz至350MHz的頻率范圍,+25℃時的頻率精度可達±50ppm至±100ppm,絕緣電阻最小500MΩ,典型驅動電平100μW,分流電容最大1.0至5.0pF,負載電容典型6至20pF。該晶體在高溫環境下穩定工作,特別適用于無線通信系統。
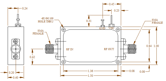
PMTA-0218-17-2低噪聲放大器是Princeton Microwave專為2 GHz至18 GHz頻率范圍設計的高性能射頻放大器。其特點包括:頻率范圍2 GHz至18 GHz,最小17 dB的小信號增益,±1.25 dB的增益平坦度,2 dB的噪聲系數,-10 dB的輸入/輸出回波損耗,最小18 dB的輸出,12 V的直流工作電壓,100 mA的直流工作電流,SMA連接器,5 dBm的射頻輸入功率,-40℃至85℃的工作溫度,-55℃至150℃的儲存溫度。
SI3495DV-T1-GE3 P通道MOSFET是Vishay生產的Si3495DV系列產品,采用TSOP-6封裝,8引腳,標識為Dgume Number 1 73350。規格包括2.5 V至5.5 V工作電壓,1000 V DC耐壓,200mA/100mΩ電流容量,2 MHz開關頻率,1.0 kΩ/1000 V DC絕緣電阻。具備滿足多種電路設計和應用需求的特性和優勢。
Solitron 2N5911/2N5912雙通道N溝道JFET專為寬帶差分放大器設計,采用TO-78封裝,適用于軍事應用,提供定制規格和匹配包裝選項。特點包括低噪聲水平(4.0 nV/√Hz)、低漏電流(小于10pA)和低輸入電容(5.0 pF)。這些特性使其在需要高性能、低噪聲和低漏電流的應用中表現出色,尤其適合精確的寬帶差分放大器。如需更多信息或定制需求,請直接聯系工廠。
AXH003A0XZ是OmniOn Power公司生產的MiniLynxTM SIP系列非隔離式DC-DC轉換器,尺寸緊湊(22.9mm x 10.2mm x 6.63mm)。它支持2.4V至5.5V的寬輸入電壓范圍,輸出電壓可調(0.75V至3.63V),在3.3V輸出時提供高達3A的電流,效率可達94%。適用于分布式電源架構、電信設備、服務器和網絡設備等應用,特別適合為DSP、FPGA、ASIC等集成電路提供電源。
CX-1V晶體是Statek公司生產的一款適用于200-240 kHz頻率范圍的振蕩器設計晶體。它具有12 μA的驅動電流,3 kΩ的動態電阻,并需要大約4.5 pF的有效負載電容。。CX-1V與PIC16C73A微控制器配合使用時,應在XT模式下0.5秒內開始振蕩。為確保最佳性能,應遵循制造商的建議進行組件選擇和電路布局。
Arizona Capacitors的金屬管狀電容器18J3-0.450R具有100/200V的電壓等級,電容值高達1.000μF,工作溫度范圍為-55℃至125℃。它具有高絕緣電阻,符合MIL-STD-202標準,適用于惡劣環境,并提供多種電壓模型選擇。其機械構造采用紙箔和箔片,具有非感應式和擴展箔結構,尺寸參數包括直徑0.172英寸和最大長度1.625英寸,可選絕緣護套厚度增加選項。此外,該電容器符合RoHS標準,可根據請求提供。
Connor-Winfield OH300-61005SV-096.0M VCOCXO 晶振是高性能晶振,輸出頻率 96MHz,具有優異的頻率穩定性、低相位噪聲和低抖動特性,適用于多種應用。
STATEK 提供高精度石英晶體、振蕩器和傳感器,產品頻率范圍廣,應用于多個關鍵領域,具有低重力靈敏度、高抗沖擊振動等特點,性能穩定可靠。
MYMGM1R816ELA5RA是一款微型非隔離DC-DC電源轉換器,適用于嵌入式應用,尺寸為10.5 x 9.0 x 5.0毫米。它支持7.5至15Vdc輸入,提供最大16A輸出電流,輸出電壓可調至0.7至1.8Vdc。該轉換器采用同步降壓拓撲,具有快速瞬態響應和高效轉換。具備UVLO、輸出短路和過流保護,以及PMBus接口用于監控和處理參數。工作溫度范圍為-40℃至105℃,效率達87%,開關頻率為400kHz。
DEI1282和DEI1284是8通道分立數字接口IC,用于航空電子系統,能感應并轉換八種離散信號為串行邏輯數據。支持TTL/CMOS輸入和三態輸出,電源電壓分別為3.3V和12V至16.5V,封裝為16LSOIC EP。DEI1282和DEI1284具備內置測試功能,DEI1282可承受600V應力,DEI1284結合外部電阻和TVS器件提供更高保護。支持高達8.6MHz數據速率,適用于高可靠性和隔離性要求的環境。
Lattice SC系列FPGA是Lattice Semiconductor的高性能產品,適用于數字信號處理、控制和通信等嵌入式應用。其特性包括100MHz至700MHz的頻率范圍,高達1GHz的I/O時鐘速率,內建塊RAM、均衡化器和CDR,成本優化設計,兼容PCI和PCI-X系統總線標準,多種封裝選項,以及支持RLDRAM II CIO/SIO等接口。這些FPGA通過IP和ECC支持,確保高性能和高效數據處理,適用于多種系統和設計需求。
在線留言