Sonoma Scientific C5ST2嵌入式環行器(5.8-8.4GHz)
發布時間:2025-11-10 09:10:23 瀏覽:187
Sonoma ScientificC5ST2嵌入式環行器(5.8-8.4GHz)

電氣特性
頻率范圍:5.8 - 8.4 GHz(適用于無線通信、雷達等)
插入損耗:≤ 0.5 dB(信號損耗低)
隔離度:≥ 16 dB(端口間干擾小)
駐波比(VSWR):≤ 1.38:1(匹配良好)
功率處理:正向 50 W(平均),反向 30 W(平均)
工作溫度:-30°C 至 +85°C(寬溫適用)
旋轉方向:順時針
機械特性
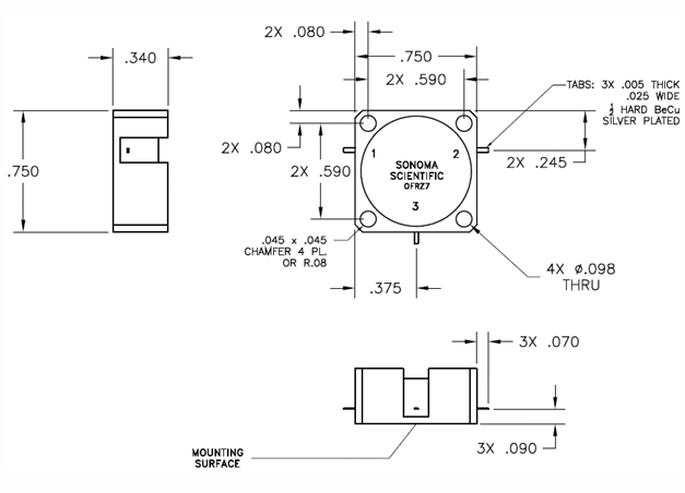
尺寸:0.75" × 0.75" × 0.34"(英寸)
連接器:銅質 Tab 式
材質:鋼外殼(耐用)
表面處理:鍍鎳(防腐蝕)
適用場景:需要低損耗、高隔離度的射頻系統,如衛星通信、微波中繼等。
Sonoma Scientific是設計和制造射頻/微波鐵氧體隔離器和環行器的全球領導者,為醫療、軍事、公共安全、衛星和雷達應用領域的客戶提供服務。該公司提供從 40 MHz 到 50 GHz 的各種定制和現成解決方案。Sonoma Scientific以其高質量的微波組件而聞名,其射頻隔離器和環形器包括波導(Waveguide)、同軸(Coaxial)、混合(Hybrid)、插入式(Drop-Ins)和微帶線(Microstrip)等不同類型,深圳市立維創展科技有限公司,優勢代理銷售Sonoma產品,歡迎咨詢。
推薦資訊
Renaissance 2A8BBP是一款7.0 – 10.0 GHz X波段同軸隔離器,專為雷達應用設計,適用于軍事陸地、空中和海軍雷達。其特點包括低插入損耗(0.6 dB)、高隔離度(18 dB)、緊湊尺寸(0.750英寸 x 0.750英寸 x 0.500英寸)和寬工作溫度范圍(-40°C至90°C),能夠增強系統保真度并便于安裝。憑借其高效性和小尺寸,2A8BBP在多種軍事和商業雷達應用中表現出色。
Luxium生產多種類型塑料閃爍光纖,包括單包層和多包層等,有多種供應形式,尺寸范圍0.25mm - 5mm,具靈活性,適用于監測管道等。單包層光纖核心材料為聚苯乙烯(折射率1.60),包層材料為丙烯酸(折射率1.49),工作溫度-20℃ - +50℃等;多包層光纖(更高性能)第二包層材料為氟 - 丙烯酸(折射率1.42)等。還列出標準光纖型號對比,如BCF - 10等光纖的發射顏色、峰值、衰減時間等參數及特性/應用。
在線留言