Renaissance 12A4BG-40N雙定向耦合器
發布時間:2025-07-25 08:56:22 瀏覽:1732
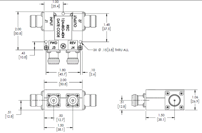
Renaissance 12A4BG-40N是一款雙定向耦合器,由 Renaissance Electronics公司生產。其工作頻率范圍為700MHz至4.2GHz,尺寸為2×2×1.06英寸,適用于測試和測量應用。


Renaissance Electronics & Communications, LLC 是一家專注于高可靠性無源和有源組件以及子系統的設計和制造公司,其產品廣泛應用于軍事和商業領域。HXI公司(已被Renaissance收購)是一家專注于射頻和微波技術的公司,主要為國防、太空和航空市場提供廣泛的產品線,包括低噪聲放大器、功率放大器、頻率倍增器、混頻器/上變頻器、波導隔離器和環行器以及PIN開關等,頻率覆蓋從18 GHz至110 GHz。深圳市立維創展科技有限公司優勢供銷Renaissance/HXI產品,歡迎咨詢了解。
推薦資訊
RFCR6954 是 RF-CI 推出的 X 頻段(5.7-6.8GHz) 高性能同軸環行器,支持 50W 平均功率/500W 峰值功率,插入損耗僅 0.3-0.4dB,具備 20-23dB 高隔離度和回波損耗,采用 SMA 連接器,適用于 5G 基站、雷達系統 等高功率射頻應用,工作溫度 -40°C~85°C。
Low Noise Factory(Quantum Microwave)的LNF-ISC4_8A和LNF-CIC4_8A是專為低溫物理實驗設計的4-8GHz超低溫隔離器/環形器,在5K時插入損耗僅0.17dB(77K時為0.2dB),具有22dB隔離度和匹配度,支持30dBm射頻功率和±50V直流電壓,工作溫度0.01K-100K(77K→5K時損耗降低0.07dB),SMA接口,尺寸22.35×24.64×10.16mm(不含連接器)。
在線留言