882-032 90° PC板安裝插頭:Glenair高速超小型連接器
發布時間:2024-12-26 09:06:59 瀏覽:1194
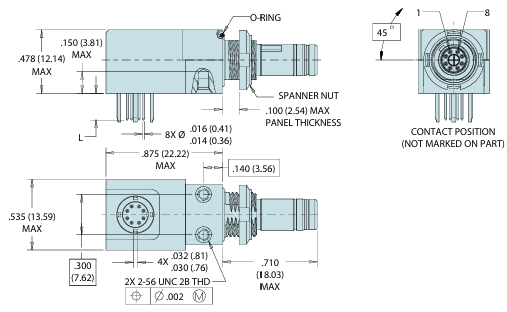
Glenair 882-032是一款專為惡劣環境設計的高速超小型連接器,適用于10GbE以太網應用。這款連接器以其緊湊的設計、卓越的性能和耐用性,滿足了現代高速數據傳輸的需求。與 882-002、882-005、882-008 和 882-038 配接。
核心特性
高速數據傳輸:支持10GbE。
超小型設計:最小的10Gb以太網航空級連接器。
環境適應性:具備EMI保護、防水和抗沖擊振動能力。
簡易安裝:支持夾緊式后面板安裝。
耐用性:設計有2000次配對周期。
防護等級:達到IP67。
技術規格
工作溫度范圍:-65°C至+175°C。
阻抗:100歐姆。
介電電壓:100 Vrms未配對。
電流額定值:1.5 A。
絕緣電阻:至少100 MΩ @ 150 Vdc。
耐用性:2000次配對周期。
訂購指南:

尺寸:

Glenair連接器是全球知名的高端品牌,廣泛應用于航天航空、軍用、艦載、精密制造等場合。深圳市立維創展科技有限公司,授權代理銷售Glenair產品,并提供技術支持。歡迎咨詢。
推薦資訊
Hypertronics連接器F系列配備模塊化插件,集成了光纖、高速以太網雙屏蔽雙同軸或屏蔽四同軸、電源和標準雙曲線信號觸點。Hypertronics連接器F系列具有強化鋁外殼,以確保在鐵路車輛中具有出色的抗高水平沖擊和振動能力。此外,它還滿足在惡劣環境下的耐腐蝕性(至少500小時)和密封性(根據CEI60529,IP66密封)的要求。
TE泰科DBAS 970-25-61 SN-DA,標準圓形連接器,線到面板,61位置,可密封,電線和電纜,電源和信號,面板安裝,鎳,鋁,DEUTSCH DBAS 9
在線留言