PmTA-1832-44-3低噪聲放大器Princeton Microwave
發布時間:2024-12-11 09:08:51 瀏覽:2163


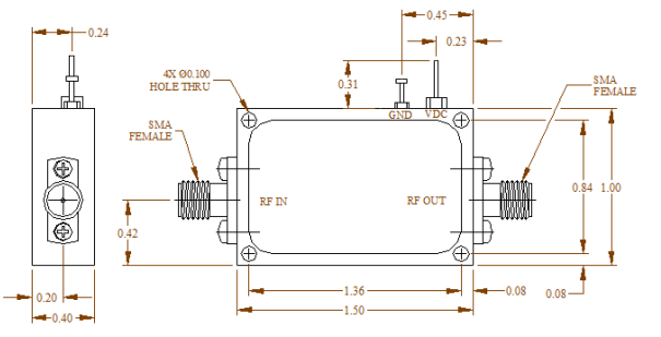
這是Princeton Microwave Technology Inc.(普林斯頓微波技術公司)生產的PmT-LNA系列低噪聲放大器,型號為PmTA-1832-44-3。以下是該產品的主要特性和電氣規格:
產品特性:
頻率范圍:18至32 GHz
小信號增益:至少44 dB
低噪聲系數:中頻帶3 dB
輸入和輸出匹配:50歐姆
內部電壓調節和偏置序列:確保穩定性和性能
無條件穩定:在各種條件下都能穩定工作
密封模塊:提供額外的保護和耐用性
工作溫度范圍:標準為-50°C至100°C
電氣規格(TA=25°C):
頻率:18至32 GHz
小信號增益:至少44 dB
增益平坦度:±1.25 dB
噪聲系數:中頻帶3 dB
輸入回波損耗:至少-10 dB
輸出回波損耗:至少-10 dB
輸出功率(Pout):至少18 dBm
工作直流電壓:12伏特
工作直流電流:100毫安
連接器:SMA母頭
直流連接器:濾波器焊接
絕對最大額定值:
直流電壓:20伏特
射頻輸入功率:5 dBm
工作溫度:-40°C至85°C
存儲溫度:-55°C至150°C
這款低噪聲放大器適用于需要高性能頻率源的應用,如通信、雷達和電子戰系統。其寬頻率范圍、高增益和低噪聲特性使其成為這些應用的理想選擇。
PmT公司自1993年起為軍事和電信市場提供高質量的微波器件,如振蕩器和放大器。該公司產品系列包括各種振蕩器、低噪聲放大器、功率放大器、功率分配器、耦合器、濾波器、混頻器等。立維創展代理分銷PmT公司產品,歡迎了解。
相關推薦:
相關推薦:
推薦資訊
Bliley NAC1系列是一款緊湊的原子鐘,旨在提供精確的定時和參考頻率。它是在不犧牲性能的情況下可用的最小原子標準之一。
Vanguard Electronics的XT系列功率電感器(如XT60001、XT60005等)具有寬溫工作(-40°C至+200°C)、緊湊防潮設計,支持HMP焊料端接和磁屏蔽,提供0.025-10mH電感范圍及20-600mA電流,適用于電源濾波、DC/DC轉換器等場景。
在線留言