CR2870H同軸2路循環器RFCI
發布時間:2024-12-06 08:38:54 瀏覽:1409

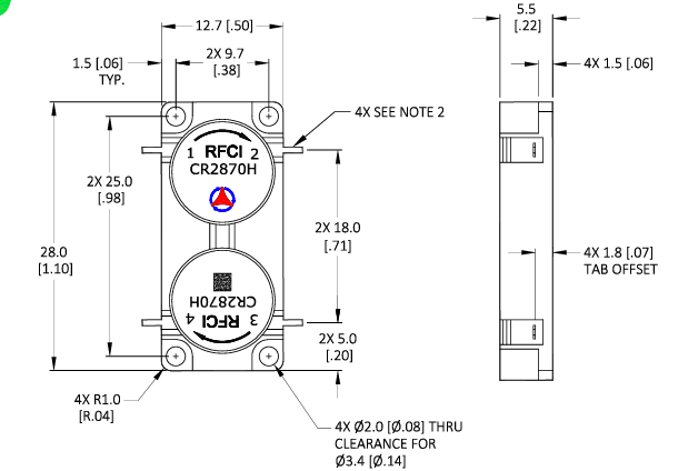
CR2870H 是一款高性能的同軸雙路循環器,符合 RoHS 2002/95/EC 標準,適用于需要高隔離度和低插入損耗的應用。
電氣規格
頻率范圍:3400 MHz 至 3600 MHz。
插入損耗:
最小值:4 dB。
典型值:小于 0.40 dB。
最大值:0.60 dB。
隔離度:
P2-P1; P4-P3:最小值 22 dB,典型值大于 25 dB。
P2-P3; P4-P1:最小值 45 dB,典型值大于 55 dB。
回波損耗:
P1-P2; P3-P4:最小值 22 dB,典型值大于 25 dB。
P3-P2; P1-P4:最小值 22 dB,典型值大于 25 dB。
功率和溫度等級
正向功率峰值/平均值:最大 500/50W。
反向功率 CW:最大 50W。
工作溫度范圍:-40°C 至 +85°C。
存儲溫度范圍:-40°C 至 +95°C。
這款循環器適用于需要高頻率和高功率處理能力的通信系統,如衛星通信、雷達系統和無線通信基礎設施。
RFCI是一家專業生產射頻(RF)環行器和隔離器的公司,產品覆蓋了從50 MHz到20 GHz的頻率范圍,廣泛應用于通信和無線基礎設施。深圳市立維創展科技有限公司優勢代理銷售RFCI產品,歡迎咨詢了解。
推薦資訊
Quantum Microwave QMC-CRYOTEE-0.0515SMA是一款專為低溫/室溫高頻信號傳輸設計的偏置T型接頭,采用無氧銅鍍金外殼,支持0.05-15GHz寬頻帶(插入損耗0.25dB@10GHz)、35VDC/100mA偏置電壓,具備優異回波損耗(-20dB@10GHz)和400kHz直流帶寬,適用于量子計算等極端環境下的射頻信號耦合需求。
Norsat LNAC00NP這款單頻段C波段低噪聲放大器(LNA)具有13.40-14.20 GHz的頻率范圍,提供50-65 dB的轉換增益,增益平坦度為4 dB峰峰值,支持-6 dBm至+10 dBm的輸入功率,并在+12至+24V DC的電源下工作。它具備IP67的防塵防水等級,能在-40至+60°C的溫度范圍內穩定運行,尺寸為98.8 x 70.0 x 164.5 mm,重量僅為0.63 kg,適合于需要高增益和低噪聲系數的衛星通信和軍事通信等應用。
在線留言