JANTX1N6101低電容二極管陣列Microsemi
發布時間:2024-11-21 09:56:12 瀏覽:1752
1N6101是一款低電容二極管陣列,由多個獨立的隔離結構成,采用平面工藝制造,并封裝在16引腳的DIP(雙列直插式封裝)中。這些二極管用于保護多達八個I/O端口免受ESD(靜電放電)、EFT(電快速瞬變)或浪涌的影響,通過將它們導向電源線的正極或接地。可以在外接TVS(瞬態電壓抑制)二極管以防止電源線上的過電壓。此外,它們也可用于快速開關核心驅動器應用,包括計算機和外圍設備,如磁芯、薄膜存儲器、鍍線存儲器等,以及解碼或編碼應用。這些陣列提供了集成電路的許多優勢,如高密度封裝和提高的可靠性,這是由于減少的放置操作、更小的占用空間、更輕的重量以及消除了各種可能不利于PCB安裝的離散封裝。

特點:
密封陶瓷封裝
隔離二極管以消除串擾電壓
高擊穿電壓VBR > 75V在5μA時
低漏電流IR < 100nA在40V時
低電容C < 4.0pF
開關速度小于10納秒
根據MIL-PRF-19500/474提供JAN、JANTX、JANTXV等篩選選項
應用/優點:
高頻數據線
RS-232和RS-422接口網絡
以太網:10 Base T
計算機I/O端口
局域網(LAN)
開關核心驅動器
最大額定值:
反向擊穿電壓:75V
連續正向電流:300mA直流電
峰值浪涌電流(tp=1/120秒):500mA直流電
每個結點400mW功率耗散@25°C
每個封裝600mW功率耗散@25°C
工作結溫范圍:-65°C至+150°C
存儲溫度范圍:-65°C至+200°C
機械和封裝:
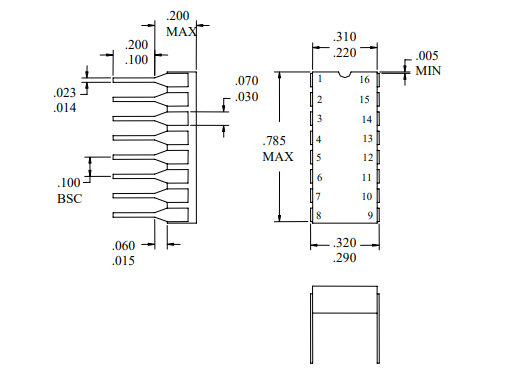
16引腳陶瓷DIP
重量:約2.09克
標記:標志、零件編號、日期代碼
引腳#1位于封裝頂部凹槽左側
電氣特性(每個二極管)@25°C,除非另有說明:
最大正向電壓VF1:100mA時
最大反向電流IR1:40V時
最大反向電流IR2:20V時
最大電容(引腳到引腳)Ct:0V時,1MHz頻率下
最大正向恢復時間tfr:100mA時
最大反向恢復時間trr:10mA直流電時,1mA直流電時,RL=100歐姆

Microsemi 是美國高可靠性電子元器件廠商,其軍級二三級管產品,被廣泛應用于全球高端市場,深圳市立維創展科技有限公司,授權代理銷售Microsemi軍級二三級產品,大量原裝現貨,歡迎咨詢。
推薦資訊
ADI?的AD4022是款高精密、高速度、低能耗、20位、Easy Drive、高精密逐漸靠近存儲器(SAR)模數轉換器(ADC),選用單電源VDD供電系統。AD4022基準電壓V REF是從外部增加的,而且可以獨立的電源電壓進行調節。
RL78/G16微控制器是瑞薩電子推出的通用微控制器,高達16MHz工作頻率,適用于家用電器和高溫環境。具備16KB/32KB程序閃存、11路A/D轉換器、7路PWM輸出等功能,支持Smart Configurator簡化設計,滿足廣泛應用需求。
在線留言