XCM526AC95DR-G降壓DC-DC轉換器TOREX
發布時間:2024-06-19 09:08:45 瀏覽:2495
XCM526AC95DR-G是Torex公司生產的一款高效降壓DC-DC轉換器。這款轉換器集成了一個通用的降壓DC/DC轉換器IC和一個P-溝道功率MOSFET,形成了一個多重實裝IC。內置的P-溝道功率MOSFET具有低導通電阻和高速開關特性,與降壓DC/DC控制器配合使用,能夠提供高達3A的輸出電流,實現高效率和穩定的電源輸出。

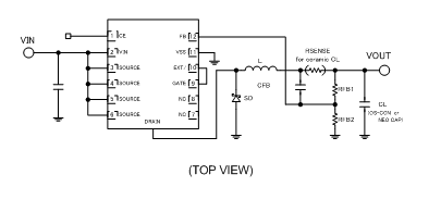
該轉換器支持使用低ESR鉭電容(如OS-CON Neo電容等)作為負載電容,如果使用陶瓷電容,則需要插入RSENSE。它還內置了一個0.9V的基準電壓源,允許用戶通過外部電阻來設定輸出電壓。
XCM526AC95DR-G提供了三種開關頻率選擇:300kHz、500kHz和1MHz,用戶可以根據需要選擇最適合的頻率,以實現高效率或外置元件的小型化。工作模式方面,可以選擇頻率固定的PWM控制(XCM526A),或者在輕負載時工作于PFM控制,并在輕負載到重負載范圍內實現高效率的PWM/PFM自動轉換控制(XCM526B)。
軟啟動時間可以選擇由內部設定為4ms,或者通過外部設定來延長。此外,該轉換器還內置了UVLO(欠壓鎖定)功能,當輸入電壓低于2.3V(典型值)時,會強制停止內部P溝道驅動晶體管的工作,以保護電路。
XCM526AC95DR-G的電源電壓范圍為4.0V至16.0V,輸出電壓范圍為1.2V至0.9V±1.5%,最大輸出電流為3.0A。它支持500kHz和1MHz的工作頻率,并提供PWM控制或PWM/PFM自動切換控制方式。該轉換器還具備短路保護電路,導通阻抗分別為70mΩ(VGS=-4.5V)和47mΩ(VGS=-10.0V)。
該產品符合環保要求,與EU RoHS規格對應,采用無鉛工藝。XCM526AC95DR-G適用于多種應用,包括液晶電視、數碼相機/攝像機、便攜式游戲機和便攜式設備等。
| 型號 | Control Methods | Type | Output Voltage | Oscillation Frequency | Packages |
| XCM526AC95DR-G | PWM | Soft-start internally fixed | 0.9V | 500kHz | USP-12B01 |
| XCM526AC9ADR-G | PWM | Soft-start internally fixed | 0.9V | 1.0MHz | USP-12B01 |
| XCM526AD95DR-G | PWM | Soft-start externally set | 0.9V | 500kHz | USP-12B01 |
| XCM526AD9ADR-G | PWM | Soft-start externally set | 0.9V | 1.0MHz | USP-12B01 |
| XCM526BC95DR-G | PWM/PFM automatic switching | Soft-start internally fixed | 0.9V | 500kHz | USP-12B01 |
| XCM526BC9ADR-G | PWM/PFM automatic switching | Soft-start internally fixed | 0.9V | 1.0MHz | USP-12B01 |
| XCM526BD95DR-G | PWM/PFM automatic switching | Soft-start externally set | 0.9V | 500kHz | USP-12B01 |
| XCM526BD9ADR-G | PWM/PFM automatic switching | Soft-start externally set | 0.9V | 1.0MHz | USP-12B01 |
推薦資訊
FMC-461 EMI輸入濾波器是Interpoint為軍事和航空航天應用設計的高性能濾波器。它具有60dB的典型衰減,符合MIL-STD-461C CE03標準,適用于28V電源總線,工作溫度范圍為-55°C至+125°C。該濾波器采用厚膜混合技術和金屬封裝,具有低直流電阻和使用陶瓷電容器,適用于減少DC-DC轉換器的輸入紋波電流。
?Q-Tech是太空晶體振蕩器的世界領先生產商,所有的這些振蕩器都能承擔至少100kRad(Si)TID電磁輻射。Q-Tech的全空間設計提供了300kRad(Si)TID的最高電磁輻射容限。Q-Tech公司推行了一種多輸出LVDS晶體振蕩器(QT625LW/QT697LW),Q-Tech在一個單一混合扁平封裝中有2到12個差動輸出對。
在線留言