ANDON 高溫200℃封閉框架ICDIP插座,帶支架
發布時間:2021-07-05 17:09:38 瀏覽:2328
ANDON的高溫200℃ DIP插座選用絕緣質料舉行集成和模壓,以完成非常佳的機械安全性。這些插座配有模壓支架,以完成非常大的焊接可視性。特色包含:非常大的絕緣籠蓋局限,以防備在高打擊和振動環境短路。一個易于裝備插入的引入倒角,一個關閉的底部,以防備焊料芯吸進入觸碰地區,以及用于精確安置在PCB。
ANDON的高溫200℃ DIP插座上的剛性端子是阻燃劑,可處分高達250℃的溫度,并由高溫鄰苯二甲酸二烯丙酯perMIL-M-14G,SDG-F型制作完成。

特殊功能和好處:
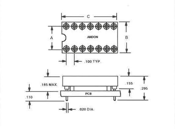
雙列直插式插座,用于低剖面、高密度包裝。
插座接管圓形或扁平引線的封裝。
插座一端的切口,用于分度定位
模壓剛性焊接端子在安置到PC板上時不會蜿蜒
端子/觸點組件-與絕緣質料集成和模制,以完成非常佳的機械安全性。為焊接可視性供應模壓支架。
非常大的絕緣籠蓋,以防備在高打擊和振動環境短路。
引入倒角,便于插入裝備
關閉的底部防備焊料芯進入觸碰地區。
高溫鄰苯二甲酸二烯丙酯/MIL-M-14G,SDG-F型,阻燃劑,溫度局限高達250℃。
ANDON為全世界客戶提供了高性能電源插座產品,如CCD、光電、傳感器、電池等項目。產品廣泛運用于研發設計、軍事及高溫環境工程。深圳市立維創展科技有限公司,授權代理銷售ANDON產品,歡迎咨詢。
詳情了解ANDON請點擊:/brand/76.html
或聯系我們的銷售工程師:0755-83642657 QQ: 2295048674
上一篇: Bird射頻便攜式功率計
推薦資訊
ANDON?的BGA插座和適配器為在PCB上安裝球柵陣列器件提供了理想的方法。該裝置焊接在適配器上,大大簡化了焊料的驗證和測試。然后將設備適配器組件插入BGA插座,BGA插座永久焊接到PCB上。BGA適配器配有平頭或沉頭。ANDON BGA插座可安裝在表面或通孔上。插座絕緣子由FR-4制成,可承受對流或紅外線焊接。幾乎所有尺寸或配置的ANDON BGA插座和適配器都可以使用現成的或定制的螺絲端子。
Fischer Core系列Broadcast廣播圓形連接器是專業廣播公司和制作人需要高性能和可靠的設備。Fischer 1051 Triax HD Pro+ ? 連接器可靠地連接高清攝像機和相關設備。即插即用解決方案包括光纖信號、三軸和電源連接器,以及用于將攝像機控制單元 (CCU) 連接到攝像機、配備室外廣播 (OB) 車和連接光纖媒體轉換器的選項。
在線留言